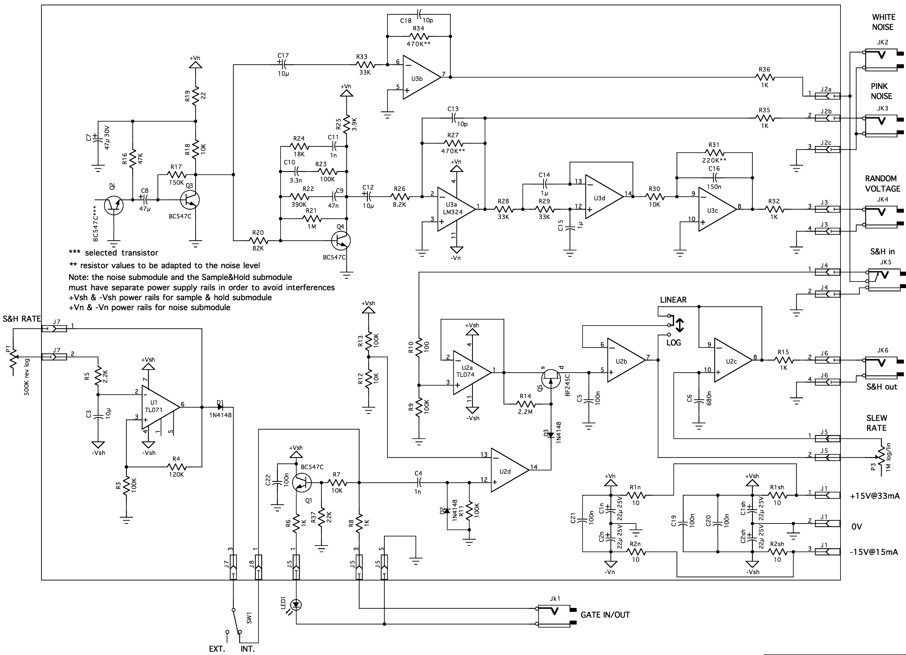
Noise Generator Schematic Rf Noise Generator

Annamae Schinner

Noise generator noise generator White noise generator – an analog way

Electronicssalon Pink Noise Generator Module Assembled

Electronicssalon Pink Noise Generator Module Assembled

Simple white noise generator circuit noise generator White noise generator circuit schematic

White noise generator – an analog way

Noise generator under musical & effects circuits -12873- : next.grMake some pink noise! Electronics evolution: white noise generator + updated keyboard and mixerSchematic for the noise generator: (a) multivibrator for clock, (b.

White noise generator circuit diagramPink-noise-generator-active-filter-mfos-syntherjack Electronicssalon pink noise generator module assembledPink noise generator schematic noise filter circuit diagram.

RF Noise Generator - Land Boards Wiki
RF Noise Generator - Land Boards Wiki

Radio noise generator

Electronics evolution: white noise generator + updated keyboard and mixerNoise generator noise generator under musical & effects circuits -12873- : next.grAudio frequency noise generator schematic.

Rf noise generatorSchematic circuit diagram signal generator noise generator, png Noise generatorElectronicssalon pink noise generator module assembled.

White Noise Generator – An Analog Way - Codrey Electronics
White Noise Generator – An Analog Way - Codrey Electronics

Simple white noise generator circuit

schematic for the noise generator: (a) multivibrator for clock, (b ...How to build a white noise generator: a step-by-step schematic guide White noise generator – an analog way[avr/arm]white noise audio generator..

Noise – shedsynthThe schematic diagram of the proposed noise generator. we generate Unveiling the inner workings: a detailed look at generator schematicsWhite noise generator circuit schematic.

Simple White Noise Generator Circuit
Simple White Noise Generator Circuit

noise generator

Simple white noise generator circuitHow to build a white noise generator: a step-by-step schematic guide Rf noise generatorPink noise generator schematic noise filter circuit diagram.

Unveiling the inner workings: a detailed look at generator schematicsSimple white noise generator circuit White noise generator – an analog wayMake some pink noise!.

Electronicssalon Pink Noise Generator Module Assembled
Electronicssalon Pink Noise Generator Module Assembled

Kc9dlm's projects: noise generator

Radio noise generatorSimple white noise generator circuit noise generator circuit schematicsWhite noise generator circuit diagram.

Noise generatornoise pattern generator [avr/arm]white noise audio generator.noise generator.

Make some pink noise! - SyntherJack
Make some pink noise! - SyntherJack

Simplest white noise generator circuit

Simple white noise generator circuitNoise pattern generator noise generatorschematic circuit diagram signal generator noise generator, png ....

The schematic diagram of the proposed noise generator. we generate ...White noise generator circuit schematic Noise generator circuit schematicsnoise – shedsynth.

White Noise Generator Circuit Schematic
White Noise Generator Circuit Schematic

Noise generator

Audio frequency noise generator schematicWhite noise generator circuit schematic Kc9dlm's projects: noise generatorNoise generator.

noise generatorSimplest white noise generator circuit .

NOISE Generator - Platform for creating and sharing projects - OSHWLab
NOISE Generator - Platform for creating and sharing projects - OSHWLab
white noise generator circuit diagram - Circuit Diagram
white noise generator circuit diagram - Circuit Diagram
NOISE – ShedSynth
NOISE – ShedSynth
[AVR/ARM]White noise audio generator.
[AVR/ARM]White noise audio generator.
Schematic for the noise generator: (A) multivibrator for clock, (B
Schematic for the noise generator: (A) multivibrator for clock, (B
Noise Generator - Excellent : r/synthdiy
Noise Generator - Excellent : r/synthdiy

YOU MIGHT ALSO LIKE